MPM
Construction / Specifications
| Temperature:
|
-60° C to 260°
C |
| Pressure:
|
0 to 500 PSI |
| Body:
|
Molded plastic |
| Contact:
|
Beryllium
copper, gold plated |
| Insulation:
|
Aromatic
polyether plastic |
| "O"-Ring
|
AS-568 Viton, 70
durometer |
| Pin
Size
|
Maximum
Voltage VDC
|
Operating
Voltage VDC
|
Maximum
Current Amps, 20°
C
|
Maximum
CurrentAmps, 200°
C
|
| #20 |
500 |
250 |
7.0 |
4.5 |
| #16 |
1000 |
500 |
10.7 |
6.8 |
| #12 |
2000 |
1000 |
14.2 |
9.0 |
| #8 |
3000 |
1500 |
27.9 |
17.9 |
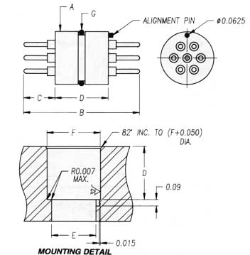
| Part
Number
|
#
- Size Contact / Mateability
|
A
- Nominal Diameter
|
B
- Overall Length
|
C
- Pin Lenght
|
D
- Mounting Depth
|
E
- Mounting Hole
|
F
- Mounting Bore
|
G
- "O"-Ring AS-568
|
| 16-B-04932 |
3
# 20 |
0.562 |
1.34 |
0.37 |
0.60 |
0.328 |
0.562-0.563 |
-
013 |
| 16-B-04933 |
4
# 20 |
0.625 |
1.39 |
0.37 |
0.65 |
0.368 |
0.625-0.626 |
-
014 |
| 16-B-04934 |
5
# 20 |
0.625 |
1.39 |
0.37 |
0.65 |
0.437 |
0.625-0.626 |
-
014 |
| 16-B-04935 |
7
# 20 |
0.625 |
1.39 |
0.37 |
0.65 |
0.437 |
0.625
- 0.626 |
-
014 |
| 16-B-04936 |
10
# 20 |
0.750 |
1.49 |
0.37 |
0.75 |
0.562 |
0.750
- 0.751 |
-
016 |
| 16-B-04937 |
3
# 16 |
0.562 |
1.52 |
0.44 |
0.64 |
0.413 |
0.562-0.563 |
-
013 |
| 16-B-04938 |
4
# 16 |
0.625 |
1.52 |
0.44 |
0.64 |
0.500 |
0.625-0.626 |
-
014 |
| 16-B-04939 |
5
# 16 |
0.625 |
1.52 |
0.44 |
0.64 |
0.500 |
0.625-0.626 |
-
014 |
| 16-B-04940 |
7
# 16 |
0.750 |
1.63 |
0.44 |
0.75 |
0.625 |
0.750
- 0.751 |
-
016 |
| 16-B-04941 |
10
# 16 |
0.875 |
1.75 |
0.44 |
0.87 |
0.718 |
0.875
- 0.876 |
-
018 |
| 16-B-04942 |
14
# 16 |
1.062 |
1.75 |
0.44 |
0.87 |
0.937 |
1.062
- 1.063 |
-
118 |
| 16-B-04943 |
17
# 16 |
1.062 |
1.75 |
0.44 |
0.87 |
0.937 |
1.062
- 1.063 |
-
118 |
| 16-B-04944 |
3
# 12 |
1.000 |
1.87 |
0.50 |
0.87 |
0.812 |
1.000
- 1.001 |
-
117 |
| 16-B-04945 |
4
# 12 |
1.000 |
1.87 |
0.50 |
0.87 |
0.812 |
1.000
- 1.001 |
-
117 |
| 16-B-04946 |
7
# 12 |
1.187 |
1.87 |
0.50 |
0.87 |
0.968 |
1.187
- 1.188 |
-
120 |
| MPM
Part Number
|
MPF
Part Number
|
M
|
| 16-B-04932 |
16-B-04947 |
2.010 |
| 16-B-04933 |
16-B-04948 |
2.050 |
| 16-B-04934 |
16-B-04949 |
2.050 |
| 16-B-04935 |
16-B-04950 |
2.050 |
| 16-B-04936 |
16-B-04951 |
2.050 |
| 16-B-04937 |
16-B-04952 |
2.010 |
| 16-B-04938 |
16-B-04953 |
2.010 |
| 16-B-04939 |
16-B-05054 |
2.010 |
| 16-B-04940 |
16-B-05055 |
2.050 |
| 16-B-04941 |
16-B-05056 |
2.050 |
| 16-B-04942 |
16-B-05057 |
2.050 |
| 16-B-04943 |
16-B-05058 |
2.050 |
| 16-B-04944 |
16-B-05059 |
2.010 |
| 16-B-04945 |
16-B-05060 |
2.010 |
Copyright © 1999 Kemlon Products and
Development. All rights reserved